
防爆壓力變送器用于測量液體、氣體或蒸汽的液位、密度和壓力,然后轉變成4~20mA DC信號輸出。防爆壓力變送器可與HART手操器相互通訊,通過它進行設定,監控或與上位機組成現場監控系統。防爆壓力變送器外殼為特殊防爆殼體,可以帶內置電池供電和外置24VDC兩線制供電,采用壓阻式傳感器芯體,殼體為不銹鋼外殼,外殼防護等級為IP65。應用于液壓、油田,礦井,化工,電力,鍋爐,天然氣等自動化領域的流體壓力測量與控制??蓭CD顯示,耐腐蝕,寬范圍溫度補償、良好的線性、有反極性保護、瞬間過電流、過電壓和抗干擾保護措施,擁有良好的防護等級。
0517-86889882
18994586033

防爆壓力變送器用于測量液體、氣體或蒸汽的液位、密度和壓力,然后轉變成4~20mA DC信號輸出。防爆壓力變送器可與
HART手操器相互通訊,通過它進行設定,監控或與上位機組成現場監控系統。防爆壓力變送器外殼為特殊防爆殼體,可以
帶內置電池供電和外置24VDC兩線制供電,采用壓阻式傳感器芯體,殼體為不銹鋼外殼,外殼防護等級為IP65。應用于液壓
、油田,礦井,化工,電力,鍋爐,天然氣等自動化領域的流體壓力測量與控制??蓭CD顯示,耐腐蝕,寬范圍溫度補償、
良好的線性、有反極性保護、瞬間過電流、過電壓和抗干擾保護措施,擁有良好的防護等級。



●測量范圍廣,鑄鋁防爆殼體,壓力接口形式多樣;
●輸出信號形式多樣,現場可調可顯示;
●多重防護,抗電磁干擾能力強;
●表壓、絕壓和密封參考壓多種壓力類型;
●可配LCD數顯表、LED數顯表;
●高準確度、高穩定性、選用進口原裝傳感器,線性好,溫度穩定性高;
●體積小、重量輕、安裝、調試、使用方便;
●有反極性保護、瞬間過電流、過電壓和抗干擾保護措施;
●壓力傳感器直接感測被測液位壓力,不受介質起泡、沉積的影響;
●工業領域中非常佳的總體性能±0.15%,令回路性能非常優化;
●五年穩定性±0.15%,可大大降低校驗和維護的費用;
●更快的動態響應,可降低過程的可變性;
●零點可遷移,量程可調節。

●測量范圍:-100kPa…0kPa~10kPa…100MPa
●壓力類型:表壓、絕壓、密封表壓
●過 壓:1.5倍滿量程壓力/ 110MPa(取最小值)
●精 度:±0.5%FS
●長期穩定性:±0.3%FS/年
●零點溫度誤差:≤±0.04%FS/℃ (≤100kPa) ;≤±0.03%FS/℃ (>100kPa)
●滿度溫度誤差:≤±0.04%FS/℃ (≤100kPa) ;≤±0.03%FS/℃ (>100kPa)
●輸出信號:RS485接口(MODBUS-RTU協議)
●額定工作溫度: -10℃~60℃
●測溫誤差:±2℃(溫度功能為選配)
●極限工作溫度: -30℃~85℃
●貯存溫度: -40℃~85℃
●供電電源: 9V~28V DC
●顯示范圍: -1999 ~ 9999
●絕緣電阻: 100V,100M
●振 動: 5g,10Hz~200Hz
●沖 擊: 20g,11ms
●防護等級: IP65
●重 量: 約900g

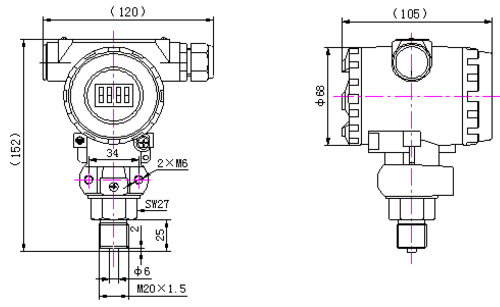
一、外形尺寸

二、電氣連接

三、產品選型
